Post‑installed anchors (mechanical expansion anchors, undercut anchors, and adhesive/chemical anchors) are commonly used to attach structural and non‑structural elements to existing concrete. This guide addresses structural design of such anchors (tension, shear, combined) using the ACI 318-08 and BNBC 2020 anchorage provisions.
We cover the design process, the governing limit states, and a full numeric worked example so you can copy the workflow into your office standard checks.
> In practice: treat ACI as the technical reference for anchor limit states and BNBC as the regulatory overlay in Bangladesh.
> Apply modifier factors for cracked/uncracked concrete, eccentricity, spacing, slab thickness etc. (ACI modification factors).
Problem statement:
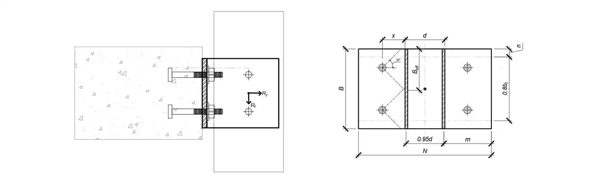
Design anchor bolt for a facade mullion clump, to be anchored with post-installed mechanical anchor to a 200mm thick slab. The factored tensile load is 16.0 kN and factored shear load is 4.0 kN. Concrete is normal weight, $f'_c$ = 27.5 MPa, assume cracked at service consition. Consider 4—M12 Grade 5.8 anchor bolt with effective embedment depth of 70 mm.
The geometry of the system is following –

Goal: check steel strength, concrete breakout, and determine if the anchor is OK or needs revision.
Diameter of anchor bolt, $d_a$ = 12 mm
Effective embedment length, $h_{ef}$ = 70 mm
Compressive strength of concrete, $f'_c$ = 27.5 MPa
Yield strength of anchor, $f_y$ = 400 MPa (Grade 5.8)
Tensile strength of anchor, $f_u$ = 500 Mpa (Grade 5.8)
Applying the equations of static equilibrium: $ \sum F_y^{→+}=0, \sum F_z^{↑+}=0 $,
> Tension force, $R_y$ = 16.0 kN
> Tension force in single bolt = 16.0/4 = 4.0 kN (No. of anchor bolt = 4)
> Shear force, $R_z$ = 4.0 kN
> Shear force in single bolt = 4.0/4 = 1.0 kN
$\phi N_{sa} = \phi · A_{se,N} · f_{uta}$ (kN) (Eqn. 6.K.3, BNBC 2020)
Where
$\phi$ – Strength reduction factor
$A_{se,N}$ – Tensile stress area ($mm^2$)
$f_{uta} = min(860, 1.9f_y, f_u)$ – Allowable tensile strength of anchor (MPa)
$N_{ua}$ – Tension force in single anchor (kN)
$\beta$ – Capacity ratio
| $\phi$ | $A_{se,N}$ | $f_{uta}$ | $\phi N_{sa}$ | $N_{ua}$ | $\beta_N$ | $Check$ |
|---|---|---|---|---|---|---|
| 0.75 | 84.3 | 500 | 31.6 | 4.0 | 0.13 | OK |
$\phi N_{cbg} = \phi · (\frac{A_{NC}}{A_{NCO}}) · \psi _{ec,N} · \psi _{ed,N} · \psi _{c,N} · \psi _{cp,N} · N_b$ (kN) (Eqn. 6.K.5, BNBC 2020)
Where

$A_{NC}$ – Concrete failure area for anchor group ($mm^2$)
$A_{NCO} = 9 h_{ef}^2$ – Conc. failure area of single anchor w/o edge influence ($mm^2$)
$\psi _{ec,N}$ – Modification factor for eccentricity
$\psi _{ed,N} = min(0.7 + \frac{0.3 C_{a,min}}{1.5 h_{ef0}}, 1})$ – Modification factor for edge distance
$\psi _{c,N}$ – Modification factor for concrete condition (cracked)
$\psi _{cp,N}$ – Modification factor for post-installed anchor (cracked)
$N_b = k_c · \lambda · \sqrt{f'_c} · h_{ef0}^{1.5}$ – Basic concrete breakout strength (kN)
$k_c$ – Installation type factor
$\lambda$ – Modification factor for light-weight concrete
$N_{ug}$ – Tensile force in group of anchors (kN)
| $\phi$ | $A_{NC}$ | $A_{NCO}$ | $C_{a,min}$ | $\psi _{ec,N}$ | $\psi _{ed,N}$ | $\psi _{c,N}$ | $\psi _{cp,N}$ | $k_c$ | $\lambda$ | $N_b$ | $\phi N_{cbg}$ | $N_{ug}$ | $\beta_N$ | $Check$ |
|---|---|---|---|---|---|---|---|---|---|---|---|---|---|---|
| 0.65 | 78000 | 44100 | 60 | 1.0 | 0.87 | 1.0 | 1.0 | 7 | 1 | 21.5 | 21.5 | 16.0 | 0.74 | OK |
$\phi N_{pn} = \psi · \psi _{c,p} · N_p$ (kN) (Eqn. 6.K.14, BNBC 2020)
Where
$\psi _{c,p}$ – Modification factor for concrete condition (cracked)
$N_p$ – Basic concrete pullout strength (5% fractile test, ACI 355.2) (kN)
| $\phi$ | $\psi _{c,p}$ | $N_p$ | $\phi N_{pn}$ | $N_{ua}$ | $\beta_N$ | $Check$ |
|---|---|---|---|---|---|---|
| 0.7 | 1.0 | 20.0 | 14.0 | 4.0 | 0.29 | OK |
Splitting during installation rather than side face blowout strength governs post-installed anchor. Ref. Sec. K.5.4, BNBC 2020.
$\phi V_{sa} = \phi · A_{se,V} · f_{uta}$ (kN) (Eqn. 6.K.19, BNBC 2020)
Where
$\phi$ – Strength reduction factor in shear
$V_{ua}$ – Tension force in single anchor (kN)
| $\phi$ | $A_{se,V}$ | $f_{uta}$ | $\phi V_{sa}$ | $V_{ua}$ | $\beta_V$ | $Check$ |
|---|---|---|---|---|---|---|
| 0.65 | 84.3 | 500 | 16.4 | 1.0 | 0.06 | OK |
$\phi V_{cbg} = \phi · \frac{A_{VC}}{A_{VCO}} · \psi _{ec,V} · \psi _{ed,V} · \psi _{c,V} · \psi _{h,V} · V_b$ (kN) (Eqn. 6.K.22, BNBC 2020)
Where

$A_{VC}$ – Concrete failure area for anchor group $(mm^2$)
$A_{VCO} = 4.5 C_{a1}^2$ – Conc. failure area of single anchor w/o edge influence ($mm^2$)
$\psi _{ec,V}$ – Modification factor for eccentricity
$\psi _{ed,V} = min(0.7 + \frac{0.3 C_{a2}}{1.5 C_{s1}, 1})$ – Modification factor for edge distance
$\psi _{c,V}$ – Modification factor for concrete condition (cracked)
$\psi _{h,V} = max(\sqrt{\frac{1.5 C_{a1}}{h_a}}, 1)$ – Modification factor for concrete depth $h_a < 1.5 C_{a1}$
$V_b = 0.6 (\frac{l_e}{d_a})^{0.2} · \sqrt{d_a} · \lambda · \sqrt{f'_c} · (C_{a1})^{1.5} $ – Basic concrete breakout strength of single anchor (kN)
$l_e = min(h_{ef}, 8 d_a)$ – Load bearing length of anchor for shear (mm)
$V_{ug}$ – Shear force in group of anchors (kN)
| $\phi$ | $A_{VC}$ | $A_{VCO}$ | $C_{a1}$ | $C_{a2}$ | $h_a$ | $\psi _{ec,V}$ | $\psi _{ed,V}$ | $\psi _{c,V}$ | $\psi _{h,V}$ | $l_e$ | $V_b$ | $\phi V_{cbg}$* | $V_{ug}$ | $\beta_V$ | $Check$ |
|---|---|---|---|---|---|---|---|---|---|---|---|---|---|---|---|
| 0.7 | 32400 | 16200 | 60 | - | - | 1.0 | 1.0 | 1.0 | 1.0 | 70 | 7.2 | 10.1 | 2.0 | 0.2 | OK |
*2 Two bolts in bolt group
$\phi V_{cp} = \phi · k_{c,p} · N_{cp}$ (kN) (Eqn. 6.K.31, BNBC 2020)
Where
$k_{c,p}$ – Concrete pryout factor
$N_{cp} = N_{cbg}$ – Concrete breakout strength in tension (kN)
| $\phi$ | $k_{c,p}$ | $N_{cp}$ | $\phi V_{cp}$ | $V_{ug}$ | $\beta_V$ | $Check$ |
|---|---|---|---|---|---|---|
| 0.7 | 2 | 33.1 | 46.4 | 2.0 | 0.04 | OK |
$\beta_{NV} = (\beta_N)^{\zeta} + (\beta_V)^{\zeta}$ (Sec. K.7, BNBC 2020)
Where
$\beta_N$ – Highest design ratio from all tension failure mode
$\beta_V$ – Highest design ratio from all shear failure mode
| $\beta_N$ | $\beta_V$ | $\zeta$ | $\beta_{NV}$ | $Check$ |
|---|---|---|---|---|
| 0.74 | 0.2 | 1.67 | 0.68 | OK |
Comments (0)
Leave a Comment